• Giga@hdv-tech.com
  • 24H netþjónusta:
    • 7189078c
    • sns03
    • 6660e33e
    • youtube 拷贝
    • instagram

    XPON ONU HTZ2027X 1GE+ROFI

    Stutt lýsing:

    * HTZ2027X röð ONU fyrir einn notanda er hannað fyrir ONU í hæfilegum FTTH lausnum af HDV, FTTH forritið í símafyrirtækinu veitir aðgang að dagsetningarþjónustu.

    * HTZ2027X röð samþykkir afkastamikil og eyðslulítil flís og styður CTC V2.0 samtengingu og samvinnustaðal China Telecom. Með hjálp NGBN View NMS getur það veitt áskrifendum mikla þjónustu og fullnægt þörfum FTTH tækja í símafyrirtækisflokki.

    * HTZ2027X röð er hönnuð af ZTE flís

     

     

     


    Upplýsingar um vöru

    Standard

    Almenn lýsing

    Umsóknir

    Alger hámarkseinkunnir

    Ráðlögð rekstrarskilyrði

    Sendandi sjón- og rafeiginleikar

    Optískir og rafmagnseiginleikar móttakara

    EEPROM upplýsingar

    Vélrænar stærðir

    Pinnalýsing

    Pin Out Teikning

    Mælt er með stjórnskipulagi

    Vörumerki

    asdzxcxz1 asdzxcxz2 asdzxcxz3 asdzxcxz4 asdzxcxz5 asdzxcxz6 asdzxcxz7


    ● Samræmist SFP Multi-Source samningi (MSA) SFF-8074i
    ● Samræmist ITUT-T G.984.2, G.984.2 breytingu 1
    ● Samræmist ITUT G.988 ONU stjórnunar- og eftirlitsviðmóti (OMCI) forskrift
    ● Samræmist SFF 8472 V9.5
    ● Samræmist FCC 47 CFR Part 15, Class B
    ● Samræmist FDA 21 CFR 1040.10 og 1040.11

     

     

     

    HTR6001X röð senditæki er afkastamikil eining fyrir staka trefjar
    fjarskipti með 1310nm burst-ham sendi og 1490nm samfelldri stillingu
    móttakara. Það er notað í ljósnetsútstöðinni (ONT) fyrir GPON ONU Class B+ forrit
    með Mac inni.
    Sendirinn er hannaður fyrir einstillingar trefjar og starfar á nafnbylgjulengd
    af 1310nm. Sendieiningin notar DFB leysidíóða með fullum IEC825 og CDRH flokki 1
    augnöryggi.
    Móttökuhlutinn notar loftþéttan APD-TIA (APD með trans-viðnám magnara) og
    takmarkandi magnari. APD breytir ljósafli í rafstraum og straumurinn er það
    V1.0 síða 2 af 10
    umbreytt í spennu með trans-viðnám magnara. Mismunandi DATA og /DATA CML gögnin
    merki eru framleidd af takmarkandi magnara.
    Aukið stafrænt greiningarviðmót hefur verið fellt inn í
    senditæki. Það gerir rauntíma aðgang að rekstrarbreytum senditækisins eins og senditæki
    hitastig, leysir hlutdrægni straumur, sprengihamur sent ljósafl, móttekið ljósafl og
    sendingarspennu með því að lesa innbyggt minni með I2C tengi.

     

     

     

    Gígabit-hæft Passive Optical Networks (GPON)
    ● HTR6001X er MSA-samhæft SFP sem inniheldur ekki bara ljósfræði fyrir ONU, heldur alla
    rafeindatæknin þarf líka. Það er "PON á staf" sem heill FTTH ONU í smávegis
    SFP í yfirstærð. Það er hægt að tengja það við netbúnað. Að leyfa gagnaviðmót á a
    rofi, beini, PBX osfrv. til að aðlaga fyrir mismunandi trefjaumhverfi og fjarlægð
    kröfur
    ● HTR6001X er hannaður sem tvískiptur ONU stafur, hann styður einnig EPON ONU OAM. Það
    er hægt að nota bæði á EPON kerfinu og á GPON kerfinu. Það mun sjálfkrafa koma á fót
    EPON hlekkur við EPON OLT eða GPON hlekk við GPON OLT.

     

     

     

    Parameter Tákn Lágmark Maxim Eining Athugið
    Geymsla Umhverfishiti TSTG -40 85 °C  
    Hitastig rekstrartilviks Tc 0 70 °C C-temp
        -40 85 °C I -Temp
    Raki í rekstri OH 5 95 %  
    Aflgjafaspenna VCC 0 3,63 V  
    Viðtakandi skemmdur þröskuldur   +4   dBm  
    Lóðunarhitastig     260/10 °C/S  

     

     

     

     

    Parameter Tákn Lágmark Dæmigert Maxim

    Eining

    Athugið
    Aflgjafaspenna VCC 3.13 3.3 3,47 V

    3,3V±5%

    Krafteyðing PD   2.00 2.48 W  
    Hitastig rekstrartilviks Tc 0   70 °C

    C-temp

        -40   85 °C

    I -Temp

    Rakasvið starfrækslu OH 5   85 %  
    Gagnahraði andstreymis     1.244  

    Gbit/s

     
    Gagnahraði niðurstreymis     2.488  

    Gbit/s

     
    Data Rate Drift   -100   +100

    PPM

     

     

     

     

     

    Parameter

    Táknmynd

    Lágmark Dæmigert Maxim Eining Athugið
    Optical Center bylgjulengd λC 1290   1330 nm  
    Bælingarhlutfall hliðarhams

    SMSR

    30     dB  
    Optical Spectrum Width ∆λ     1 nm  
    Meðal sjónræn sjónkraftur Po +0,5   +5 dBm  1
    Optískur sendir sem slökkt er á Poff     -45 dBm
    Útrýmingarhlutfall ER 9     dB 2
    Hækkun/falltími (20%-80%) TR/TF     260 ps 2,3
    Kveiktu á tíma í Burst ham Ton     12.8 ns  
    Slökktu á tíma í Burst ham Toff     12.8 ns
    RIN15OMA       -115 dB/Hz  
    Optical Return Tap Tolerance       15 dB  
    Endurspeglun sendis       -6 dB  
    Sendi- og dreifingarvíti TDP     2 dB 4
    Ljósbylgjumynd Samhæft við ITU-T G.984.2 5
    Gagnainntaksmunasveifla   300   1600 mV 6
    Inntaksmunarviðnám   90 100 110 Ω  
    Tx-slökkva á spennu (virkja)   0   0,8 V  
    Tx-slökkva á spennu (slökkva) 2.0   VCC V    
    Tx-villuúttak (venjulegt) 0   0,8 V    
    Tx-Fault Output (Fault) 2.0   VCC V    

    Athugasemd 1: Hleypt af stokkunum í 9/125um Single Mode Fiber.

    Athugasemd 2: Mæld með PRBS 223-1 prófunarmynstur @1.244Gbit/s. Athugasemd 3: Mæld með Bessel-Thompson síu OFF.

    Athugasemd 4: Hámarksnæmisrefsing vegna sendi- og dreifingaráhrifa í gegnum 20 km af SMF ljósleiðara. Athugasemd 5: Skilgreiningar á augngrímu sendandi (Mynd 1).

    Athugasemd 6: Samhæft við LVPECL inntak, DC tengt innbyrðis.

    Mynd 1 Sendandi Auga Gríma Definiti

    Mynd 1 Skilgreiningar á augngrímu sendandi

    Mynd 1 Sendandi Auga Gríma Skilgreiningar

     

     

     

    Parameter Tákn Lágmark Dæmigert Maxim Eining Skýringar
    Rekstrarbylgjulengd   1480 1490 1500 nm  
    Næmi SEN     -28 dBm  
    Saturation Optical Power LAUR -8     dBm 1
    LOS Deassert Level       -29 dBm  
    LOS Assert Level   -40     dBm 2
    LOS Hysteresis   0,5   5 dB  
    Reflective móttakara       -20 dB  
        38     dB 1550nm
    WDM síueinangrun   35     dB 1650nm
    Data Output Differential Swing   300   1200 mV 3
    LOS lágspenna   0   0,8 V  
    LOS háspenna   2   VCC V

    Athugasemd 1: Mæld með PRBS 223-1 prófunarmynstur @2.488Gbit/s og ER=9dB, BER =10-12.

    Athugasemd 2: Minnkun á ljósafli yfir tilgreindu stigi mun valda því að Los úttak breytist úr lágu ástandi í hátt ástand;

    Aukning á ljósafli undir tilgreindu stigi mun valda Los úttakinu að skipta úr háu ástandi í lágt ástand.

    Athugasemd 3: CML framleiðsla, AC-tengd innbyrðis, tryggð á öllu sviði sjónræns inntaks (-8dBm til -28dBm).

     

     

     

    EEPROM upplýsingar

    Mynd 2 EEPROM Upplýsingar

     

     

     

    EEPROM upplýsingar

    Mynd 3 Pakki Útlínur (eining: mm)

     

     

     

    PIN-númer Nafn Lýsing Skýringar
    1 VeeT Sendandi jörð 1
    2  Tx-villa Sendibilunarvísir, Venjulegt „0“, bilunRökfræðileg „1“ framleiðsla, LVTTL 2
    3 Tx-slökkva Sendandi óvirkur; slekkur á sendilaser 3
    4 Mod-Def(2) SDA I2C Gagnalína 2
    5 Mod-Def(1) SCL I2C klukkulína 2
    6 Mod-Def(0) Eining fjarverandi, tengd VeeR 2
    7 Rate Select Fyrir Dying Gasp detect, input low active
    8 LOS Tap á merki 2
    9 VeeR Móttökuland 1
    10 VeeR Móttökuland 1

     

    PIN-númer Nafn Lýsing Skýringar
    11 VeeR Móttökuland 1
    12 RD- Innb. Móttekið gagnaúttak
    13 RD+ Móttekið gagnaúttak
    14 VeeR Móttökuland 1
    15 VccR Móttökustyrkur 1
    16 VccT Sendarafl
    17 VeeT Sendandi jörð 1
    18 TD+ Senda gögn inn
    19 TD- Inv.Transmit Data In
    20 VeeT Sendandi jörð 1

    Athugasemdir:

    1. Eining hringrás jörð er einangruð frá eining undirvagn jörð innan einingarinnar.

    2. Pinnana skal draga upp með 4,7K-10KΩ í spennu á milli 3,13V og 3,47V á hýsilborði.

    3. Pinninn er dreginn upp að VccT með 4,7K-10KΩ viðnám í einingunni.

     

     

     

    Pin Out Teikning

    Mynd 4 Pinna út Teikning (Efst skoða)

     

     

     

    Mælt er með stjórnskipulagi

    Mælt er með stjórnskipulagi 2

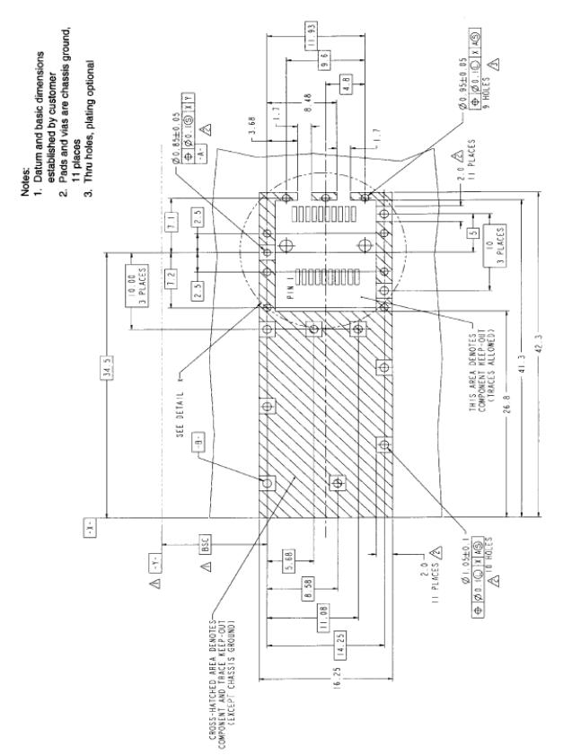
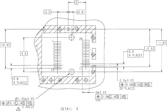
    Mynd 5 Mælt með Stjórn Skipulag Hola Mynstur og Panel Uppsetning

     

     

     

    Skrifaðu skilaboðin þín hér og sendu okkur
    web聊天